×关闭

×关闭

精彩词条

准解理断裂

补充:0  浏览:9703  发布时间:2015-1-13


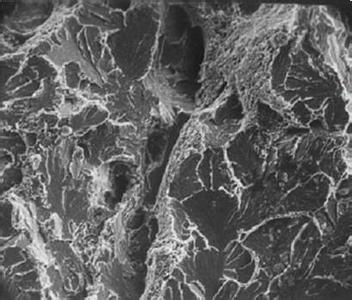
  准解理断裂是淬火加低温回火的高强度钢较为常见的一种断裂形式,常发生在脆性转折温度附近。准解理断裂的断口是有平坦的“类解理”小平面、微孔及撕裂棱组成的混合断裂。


  特征


  准解理断裂(quasi-cleavage fracture)介于解理断裂和韧窝断裂之间;在不同部位产生解理裂纹核,扩展成解理刻面,最后以塑性方式撕裂。河流花样短而弯曲,支流少,解理面小,且周围有较多的撕裂棱。


  由裂源向四周扩散,不连续,局部扩展;准解理小平面位相并不与解理面严格对应。


  宏观断口形貌比较平整,但微观形貌有河流花样,舌状花样及韧窝与撕裂棱等。


  在大量高密度短而玩去的撕裂棱线条、点状裂纹源由准解理断面中部向四周放射的河流花样、准解理小断面与解理面不存在确定的对应关系、二次裂纹等。


  产生原因


  (1)、从材料方面考虑,必为淬火加低温回火的马氏体组织,回火温度低,易产生此类断裂。


  (2)、构件的工作温度与钢材的脆性转折温度基本相同。


  (3)、构件的薄弱环节处处于平面应变状态。


  (4)、材料的晶粒尺寸比较粗大。


  (5)、回火马氏体组织的缺陷,如碳化物在回火时的定向析出。


  预防措施


  为了防止此类断裂最有效的办法就是提高钢材的抗低温脆断能力,即千方百计地降低钢材的脆性转折温度(如细化晶粒,减少组织缺陷等),在这方面与预防解理断裂的措施是基本相同的。

其他补充

我来补充: 回答即可得分。若被选为最佳答案,您可获得更多奖励分。 马上登录 没帐号?马上注册

  注册登录后回答,赢取积分!

点击刷新验证码

 
4734 词条
  NOBODY发布的更多词条
  相关词条